-
Media gallery Media gallery
-
Media gallery Media gallery
-
Media gallery Media gallery



Request a quote form.
Notified by email when this product becomes available

$0
- Description
- Specification
- Installation
- Returns
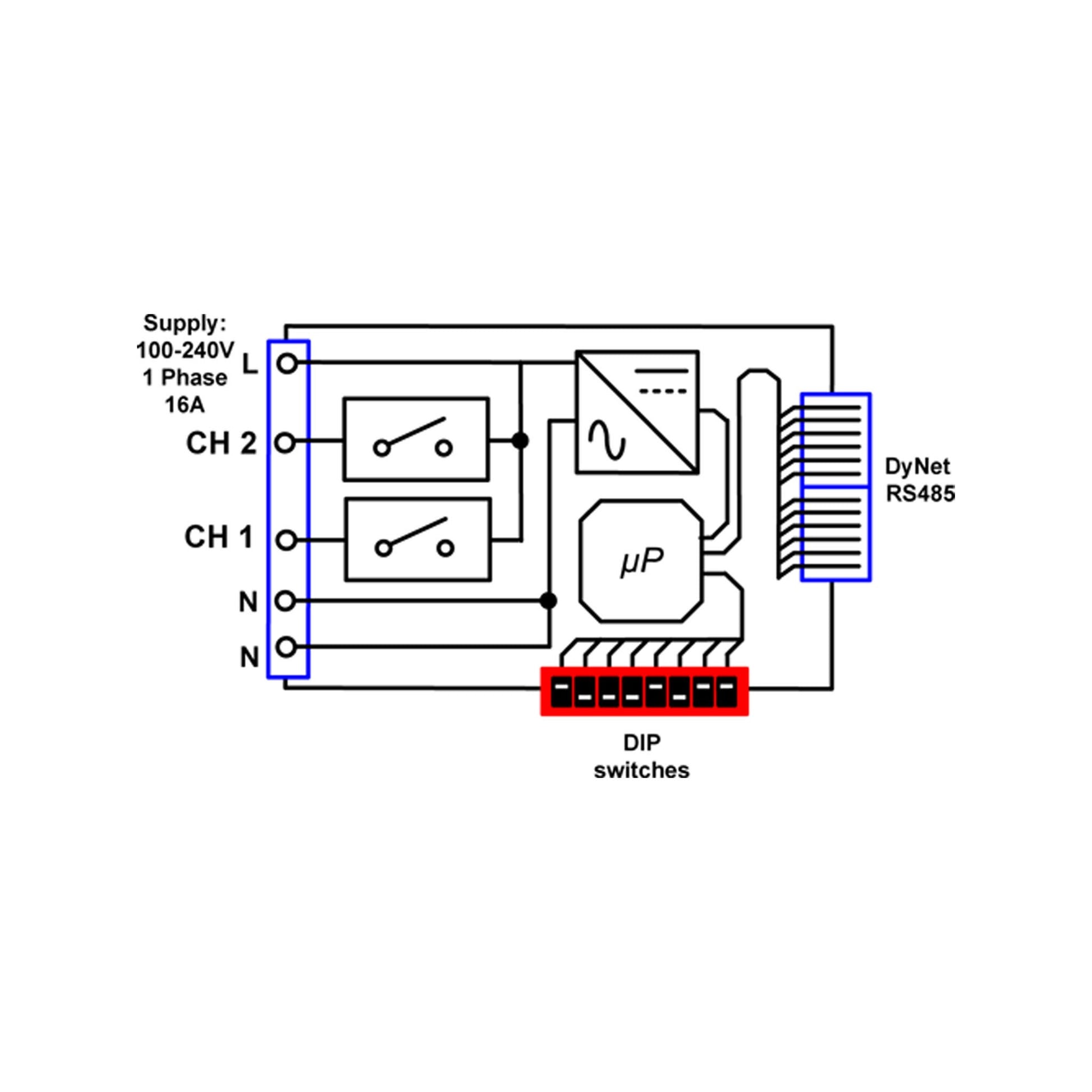
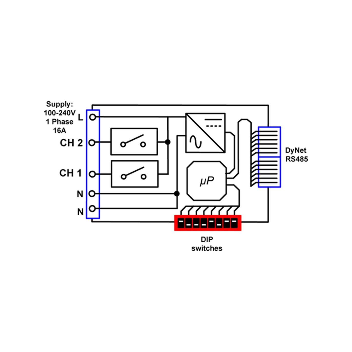
Philips Dynalite
DMRC210DA-RJ12 Relay Controller
Luminaire mount control of switched loads
The Philips Dynalite DMRC210DA-RJ12 relay controller is part of the EcoSystem and is designed to allow intelligent, sub-networked control of luminaires, when used in combination with the DUS360CR-DA occupancy sensor.
• Incorporates two relay outputs — Two independently controlled relay outputs designated for switching lighting loads.
• Gear enclosure mounting — Compact design allows the device to be mounted directly within the gear enclosure of many light fittings.
• Fully rated device — Suitable for large in-rush lighting loads.
• Dipswitch configuration — Allows rapid set area configuration and provides out-of-thebox functionality without the need for a PC and software on-site.
• Standalone or networked operation — Though programmed without PC software, the device can be integrated into a fully networked Philips Dynalite system when extra functionality is required.
• Inbuilt diagnostic functionality — Features Device Online/Offline status indication.
Item | Specification | Details |
Input Voltage | 100 – 240 VAC 50 / 60 Hz Single Phase @ 20 A | |
DyNet DC Supply | 12 V @150 mA (supply for approx 7 user interfaces) | |
Electrical | Outputs | 2 x switched @ 10 A (inductive) |
Maximum device load 180 A | ||
Switching Device | Relay, Tungsten pilot contact, 16 A inductive, 165 A surge | |
. | ||
Control Inputs/Outputs | One DMX512 / RS-485 DyNet serial port | |
Control | Preset Scenes | 170 |
Diagnostic Functions | Device online/offline status | |
. | ||
SupplyTerminals | Line, Neutral | |
1 x 4 mm² maximum conductor size | ||
Physical | Output Terminals | Line 1, Line 2, Neutral |
1 x 4 mm² maximum conductor size | ||
Network Terminals | Two RJ12 network sockets | |
Dimensions (L x W x D) | 240 mm x 45 mm x 38 mm | |
Packed Weight | 0.19 kg | |
Construction | ABS plastic | |
Operating Conditions | Temperature: 0 to 50° C ambient | |
Humidity: 0 to 95% non-condensing | ||
Storage & Transport | Temperature: -25 to 60°C ambient | |
Humidity: 0 to 90% non-condensing | ||
Certification | Certification | CE, C-Tick |
Options & Ordering | Standard Product | DMRC210-RJ-DA (Philips 12NC 913703050109) |
Sometimes we want to listen to our brand new audio setup without having to worry about dragging B&W up two flights of stairs - that's where we come in! Not only are our team experts in high quality AV equipment, they're also professional bodybuilders* who can deliver and install your new toys quickly and efficiently.
Our in-house team can service those in Brisbane, the Gold Coast, and the Sunshine Coast. Give us a call to get an obligation-free quote today!
*the term 'professional bodybuilders' is used here loosely...
Our refund policy operates in a 30-day window - after this time we are unable to accept the product and cannot issue a refund. Don't worry, our products are hand picked from thousands of luxury brands to ensure you are only offered the best of the best so we doubt you'll need to consider this policy at all. If you are concerned about making the wrong decision when it comes to your purchase, please feel free to talk with our team of experts who can advise you on equipment based on your personal music taste, aesthetics, and the layout of your listening room. Still not convinced? Discuss the possibility of a loan (trial period) with our experts and hear the difference yourself.

Recently viewed product
Keep up to date
Be the first to know about new collections and exclusive offers.